Mejla oss
Produkter
TAC pneumatisk växelventil
  • TAC pneumatisk växelventilTAC pneumatisk växelventil

TAC pneumatisk växelventil

Som den professionella tillverkningen vill OLK ge dig TAC pneumatisk växelventil. Och OLK kommer att erbjuda dig den bästa servicen efter försäljning och i rätt tid.

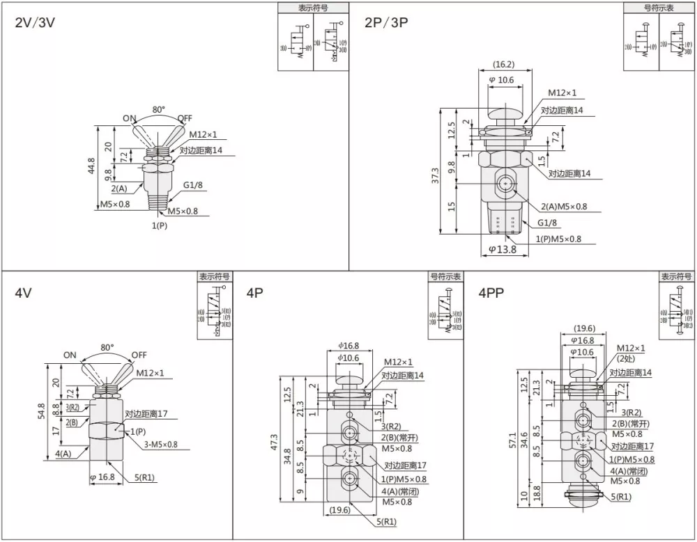
TAC -pneumatisk växelventil (även känd som en switchventil) är en precisionsomkopplingskomponent speciellt utformad för pneumatiska system och vätskekontroll. Med sin unika kontrollstruktur av växlingstyp uppnår den snabb växling och exakt kontroll av fluidvägar.

TAC -serien Växelventil har 2 Position 2 Way, 2 Position 3 Way och 2 Position 5 Way kan väljas. En olika spaktyp och två typer tråd: M5, G1/8.

Applikationsscenarier

Industriell automatiseringsutrustning, mekanisk bearbetning, bearbetning av byggmaterial, energi och gruvdrift, mat- och dryckesindustri, medicinsk utrustning etc.

Produktfunktioner

Det är litet i storlek, kräver lite installationsutrymme och är intuitivt att fungera manuellt, vilket gör det lämpligt för scenarier som kräver ofta växling.

TAC Växelventilsymbol och beskriv

Oderkod

Tac

2

__

2

P

 

 

 

 

 

TAC -serie Växelventil

 

 

2: 2Position 2 Way (M5)

P: Push-Pull-knapptyp

 

 

 

3: 2 Position 3 Way (M5)

V: Handspakstyp

 

 

 

4: 2 Powition 5 Way (M5)

PP: dubbel push-pull-knapp

 

 

 

31: 2 Position 3 Way (G1/8)

 

 

 

 

41: 2 Powition 5 Way (G1/8)

 

 

Modell

Hamnstorlek

 

Antal
av ställning

Effektiv  
tvärsnittsområde

Tryckområde

Arbetsvätska

Omgivande
Temperatur

 

Tac-2v

Inlopp = utlopp = m5   

2 Position 2 Way

1,9 mm²

0,05 ~ 0,9 pPA

Luft

0 ~ 60

Tac-2p

Inlopp = utlopp = m5   

2 Position 2 Way

1,9 mm²

Tac-3v

Inlopp = utlopp = m5   

2 Position 3 Way

1,9 mm²

Tac-3p

Inlopp = utlopp = m5   

2 Position 3 Way

1,9 mm²

Tac-4v

Inlopp = utlopp = m5   

2 Position 5 Way

1,9 mm²

Tac-4p

Inlopp = utlopp = m5   

2 Position 5 Way

1,9 mm²

4pp

G1/8

 

2 Position 5 Way

4,5 mm²

Tac2-31v

Inlopp = utlopp = avgas = g1/8   

2 Position 3 Way

4,5 mm²

TAC2-31P

Inlopp = utlopp = avgas = g1/8   

2 Position 3 Way

4,5 mm²

Tac2-41v

Inlopp = outlet = g1/8 avgas = m5

2 Position 5 Way

4,5 mm²

TAC2-41P

Inlopp = outlet = g1/8 avgas = m5

2 Position 5 Way

4,5 mm²

TAC2-41PP

Inlopp = outlet = g1/8 avgas = m5

2 Position 5 Way

4,5 mm²

Vanliga frågor:

Vad är skillnaden mellan växelventil och mekanisk ventil?

Det kan skilja växelventil och mekanisk ventil efter kontrolltyp: Växelventil är pinerad spakstångstyp, mekanisk ventil är push-pull-knapptyp eller rulltyp

 

Vad är skillnaden mellan växelventil och andra ventiler?

Exakt kontroll: Växelventiler uppnår finflödesreglering genom en konisk ventilkärna, som är lämplig för exakt kontroll i rörledningar med små diameter, medan kulventiler är mer lämpliga för snabb öppning och stängning.

Hot Tags: TAC pneumatisk växelventil, Kina, tillverkare, leverantör, fabrik
Skicka förfrågan
Kontaktinformation
Välkommen till vår hemsida! För frågor om våra produkter eller prislista, vänligen lämna din e-post till oss så hör vi av oss inom 24 timmar.
E-post
cici@olkptc.com
Mobil
+86-13736765213
Adress
Zhengtai Road, Xinguang Industrial Zone, Liushi, Yueqing, Wenzhou, Zhejiang, Kina.
X
Vi använder cookies för att ge dig en bättre webbupplevelse, analysera webbplatstrafik och anpassa innehåll. Genom att använda denna sida godkänner du vår användning av cookies. Sekretesspolicy
Avvisa Acceptera