Mejla oss
Produkter
VU07 Vakuummagnetventil 3 väg
  • VU07 Vakuummagnetventil 3 vägVU07 Vakuummagnetventil 3 väg
  • VU07 Vakuummagnetventil 3 vägVU07 Vakuummagnetventil 3 väg
  • VU07 Vakuummagnetventil 3 vägVU07 Vakuummagnetventil 3 väg

VU07 Vakuummagnetventil 3 väg

Som den professionella tillverkningen vill OLK ge dig VU07 Vakuum Solenoid Valve 3 Way. Och OLK kommer att erbjuda dig den bästa servicen efter försäljning och i rätt tid.

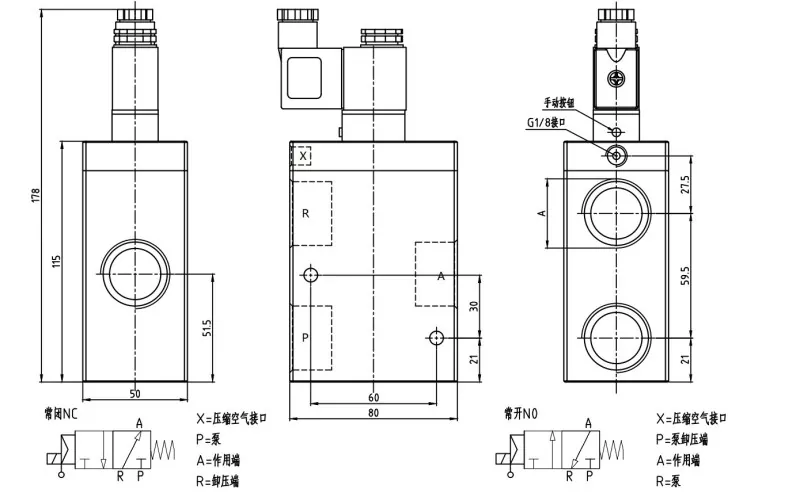
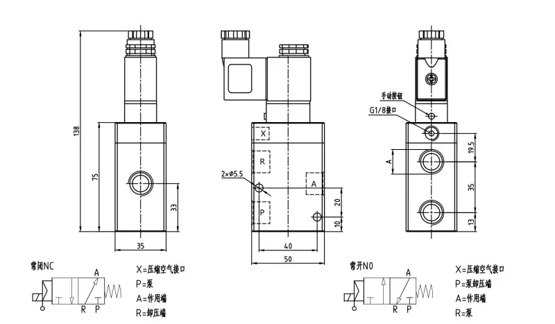
VU07 Vakuums magnetventil 3 -sätt tillgängligt med antingen intern eller extern pilotkontroll. Ventilkroppen är tillverkad av aluminiumlegering med en blå och utformad med en stor borrning för hög flödeskapacitet.

Det är lämpligt för drift under vakuum (–100 kPa) såväl som lågt positivt tryck (0–0,5 MPa).

Trådade port (P, A, R) är tillgängliga i G3/8, G1/2 och G1, med tryckluftsporten (X) i G1/8.

Huvudapplikationer

3-vägs vakuum-magnetventil används huvudsakligen i: vakuumkraftsenheter, sugpalletiserare, robotar, matare, påse-öppnande enheter. Och andra applikationer som kräver snabb växling mellan vakuumsug och atmosfär, vilket möjliggör snabb återhämtning till atmosfärstryck.

VU07 Vakuum Solenoid Ventil 3 -vägs Funktioner:

· Stor flödeskapacitet

· Lämplig för användning vakuum och lågt tryck (vakuum: –100 kPa, lågt tryck: 0–0,5 MPa)

· Finns i normalt stängda (NC) och normalt öppna (inga) typer

· Valfri intern pilot eller extern pilotkontroll

VU07 Vakuum Solenoid Valve 3 Way Symbol

Beställningskod

Vu07

02

11

-

D2448

W

Modell:

Portstorlek:

Kontrollera:

 

Spänning:

Pilottyp:

VU07 Series Vakuum Solenoid Valve

02: G3/8

11: Elektrisk

 

D2448: DC24V 4.8W

Blank: intern pilot

 

03: G1/2

31: luft

 

A22060: AC220V 6VA

W: Extern pilot

 

05: G1

 

 

 

 

 

Modell

A

Max flödeshastighet (m³/h)

Vakuum (min: mbar-max: ABS)

Svarstid (MSEC) energisk

Svaretid (MSEC) avtagen

Hamn

Hamnområde (mm²)

X Kontrolltryck (bar)

Vikt (kg)

VU07 02 11

G3/8

10

1000 0,5

16

27

11.5

103.8

4-7

 

VU07 02 11

G1/2

20

1000 0,5

16

40

15

176

6-7

 

VU07 02 11

G1

90

1000 0,5

18

42

25

490

6-8



Vanliga frågor:

Vad är trådstorleken på VU07 Vakuumventilen?

VU0702: G3/8; VU0703: G1/2; VU0705: G1


Vilka spänningar finns tillgängliga för VU -vakuum -magnetventilen?

VU -vakuum -magnetventilen finns i DC24V 4.8W och AC220V 6VA.


Vad är storleken på tryckluftsporten på VU -ventilen?

Alla tryckluftsportar är G1/8.


Vad betyder läckagesenheten "torr · l/s"?

"Torr · l/s" är en vanlig enhet för läckhastighetsmätning i högvakuum- eller ultrahögvakuumsystem.

Torr: En tryckenhet (1 torr ≈ 133,3 PA)

L: LIT (Volymenhet)

S: andra (tidsenhet)

Så, "Torr · l/s" indikerar mängden gas (i torr × liter) som läcker per sekund, vilket återspeglar tätningsprestanda för ett system eller komponent.


Finns det någon koppling mellanvakuumgeneratorOch vakuummagnetventilen?

1.Vakuumförsörjningskontroll

Vakuumgeneratorn skapar vakuumet med tryckluft, medan vakuum -magnetventilen fungerar som omkopplaren.

När ventilen är öppen ansluts vakuumet till sugkoppen eller vakuumlinjen.

När ventilen är stängd stängs vakuumet av.


2. Snabbväxling mellan vakuum och atmosfär

Under plockningen håller ventilen vakuumet ansluten.


För att släppa arbetsstycket växlar ventilen till atmosfären, så sugkoppen tappar snabbt sug.


3.energibesparing

I energibesparande system kan magnetventilen stoppa tryckluftsförsörjningen när den nödvändiga vakuumnivån har uppnåtts, vilket minskar luftförbrukningen.


4. Typiska applikationer

Sugpalletiserare

Automatiserade monteringslinjer (styrs av PLC)

Robotgrisningssystem


Hot Tags: VU07 Vakuummagnetventil 3 väg, Kina, tillverkare, leverantör, fabrik
Skicka förfrågan
Kontaktinformation
Välkommen till vår hemsida! För frågor om våra produkter eller prislista, vänligen lämna din e-post till oss så hör vi av oss inom 24 timmar.
E-post
cici@olkptc.com
Mobil
+86-13736765213
Adress
Zhengtai Road, Xinguang Industrial Zone, Liushi, Yueqing, Wenzhou, Zhejiang, Kina.
X
Vi använder cookies för att ge dig en bättre webbupplevelse, analysera webbplatstrafik och anpassa innehåll. Genom att använda denna sida godkänner du vår användning av cookies. Sekretesspolicy
Avvisa Acceptera