Mejla oss
Produkter
Airtac typ GR tryckregulator
  • Airtac typ GR tryckregulatorAirtac typ GR tryckregulator

Airtac typ GR tryckregulator

Du kan vara säker på att köpa Airtac typ GR tryckregulator från vår fabrik och vi kommer att erbjuda dig den bästa servicen efter försäljning och snabb leverans.

Tryckregulatorn Airtac typ GR ger stabil och exakt tryckkontroll för pneumatiska system. OLK  GR pneumatisk regulator med hållbar konstruktion och enkel justering, den säkerställer pålitlig prestanda i automationsutrustning, luftverktyg, kompressorer och allmänna industriella applikationer. Kompatibel med filter, smörjapparater och FRL-enheter.

Airtac typ GR tryckregulator Produktegenskaper:

· Inbyggd fyrkantig tryckmätare sparar installationsutrymme (extern rund mätare tillval).

· Låskonstruktion förhindrar oavsiktlig tryckjustering orsakad av yttre kraft.

·Balanserad tryckreglerande struktur säkerställer stabilt tryck, små fluktuationer och bra prestanda.

·Kan installeras på en panel eller med ett valfritt monteringsfäste.

·Förutom standardmodellen finns även en lågtryckstyp tillgänglig (maximalt justerbart tryck: 0,4 MPa)


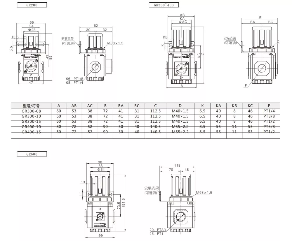
GR tryckregulator Symbol:

Beställningskod

GR200

--

08

Modell:

 

Portstorlek:

GR200-seriens tryckregulator

 

06:PT:1/8

GR300-seriens tryckregulator

 

08:PT1/4

GR400-seriens tryckregulator

 

10:PT3/8

GR600-seriens tryckregulator

 

15:PT1/2

 

 

20:PT3/4

 

 

25:PT1


Modell

GR200-06

GR200-08

GR300-08

GR300-10

GR300-15

GR400-10

GR400-15

GR600-20

-20--70 ℃

Arbetsmedium

LUFT

Portstorlek

PT1/8

PT1/4

PT1/4

PT3/8

PT1/2

PT3/8

PT1/2

PT3/4

PT1

Driftstryckintervall

0,05-0,9Mpa(20-130psi)

Arbetstrycksområde

1,5 Mpa (215 psi)

TEM.

-20--70 ℃

Vikt

160 g

350 g

720 g

1700g


Hur man justerar tryckregulatorn Airtac typ GR

Det finns en tryckskala på justeringslocket. När luft tillförs, dra upp vredet och vrid det medurs mot "+"-tecknet för att öka trycket. Efter justering trycker du ned knappen för att låsa den.


Steg 1: Håll i ratten och dra upp den.

Steg 2: Vrid den medurs för att öka trycket.

Steg 3: Tryck ned ratten för att låsa efter justering.


Observera: Var uppmärksam på pilen som anger luftflödets riktning när du ansluter. Omvänd inloppsanslutning kan orsaka luftläckage.




Vanliga frågor:

Vad betyder GR?

GR betyder luftregulator i GR-serien.


Vad betyder GFC?

GFC=GFR+GL  (Filterregulator + Lubricator)


Vad betyder GC?

GC=GF+GR+GL (Filter + pneumatisk regulator + smörjmedel)



Hot Tags: Airtac typ GR tryckregulator, Kina, tillverkare, leverantör, fabrik
Skicka förfrågan
Kontaktinformation
Välkommen till vår hemsida! För frågor om våra produkter eller prislista, vänligen lämna din e-post till oss så hör vi av oss inom 24 timmar.
E-post
cici@olkptc.com
Mobil
+86-13736765213
Adress
Zhengtai Road, Xinguang Industrial Zone, Liushi, Yueqing, Wenzhou, Zhejiang, Kina.
X
Vi använder cookies för att ge dig en bättre webbupplevelse, analysera webbplatstrafik och anpassa innehåll. Genom att använda denna sida godkänner du vår användning av cookies. Sekretesspolicy
Avvisa Acceptera